风机性能参数:
转速:1450转
流量:1050-2350m3/h
压力:550-450pa
耐温≤180℃
材质:碳钢、不锈钢201#/304#
最近修改时间:2025-4-7
风机的用途:
1、针对干燥行业、锅炉行业、清洗行业、涂装行业、食品烘干行业配套而研发的自主产品__耐高温离心风机。WDF型是多翼式风机,对输送的介质有一定要求, 是食品消毒行业配套风机。
2、WDF型使用温度在150℃-180℃之间。
3、输送的气体为空气或其他不自燃、不自爆、无缠绕性、对人体无害、对钢铁材料无腐蚀之气体。也可作为各行业输送无腐蚀性、不自燃、不含粘性物质的热气、蒸气、烟气。其它性能相近者亦可选用,但输送介质的温度不得超过其额定温度范围。
4、气体内不许有粘性物质,所含的尘土及硬质颗粒不大于150mg/m3。如含尘土量大,在风机前必须加装准备就绪不低于85%的除尘装置,降低进入风机的烟气含尘量,以利提高风机寿命。
风机的安装形式:
1、此风机有两种形式。从电机一侧正视,叶轮顺时针旋转者称右旋风机,以“右”表示;叶轮逆进针旋转者称左旋风机,以“左”表示。
2、风机的出口位置,以机壳的出风口角度表示。风机№1.5~8.3出厂时均做成一种可调型式,使用单位根据要求再安装成所需要的位置。出风口位置调整范围是0°~270°,间隔是45°。传动方式均为“A”式直联传动。
风机的结构特点:
1、风机主要由叶轮、机壳、进风口、电机、连接器、散热风叶等部分组成。
2、WDF型叶轮采用多翼式单进离心叶轮,用优质的镀锌板或冷轧钢板制成,叶片依据空气动力原理设计。材料用强度高、耐用性好的优质钢板制造,并经严格的动、静平衡校正。空气性能良好,效率高,运转平稳。
3、进风口采用收敛流线型减涡形式,气流损失较小,风机的工作效率高。
4、风机机壳与电机以金属铸件安装连接,电机轴头上安装散热风叶,金属铸件的外壁上开设进、出水管接口,对金属铸件与轴头进行降温,确保电机在高温下正常运行。
5、其电机采用特殊高温电机,风机流体部分采用耐温材料,降温结构性能可靠。相比其实锅炉引风机,WDF型结构简单,维护方便,性价比高等优点。
订货须知:
订货时请注明风机的规格型号、需配电机功率及转速、出风口角度和风机的旋转方向。
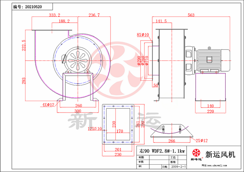
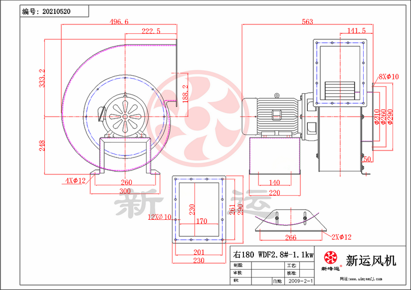
产品安装尺寸图:
不带脚座:



带脚座:





风机的结构特点:
1、风机主要由叶轮、机壳、进风口、电机、连接器、散热风叶等部分组成。
2、WDF型叶轮采用多翼式单进离心叶轮,用优质的镀锌板或冷轧钢板制成,叶片依据空气动力原理设计。材料用强度高、耐用性好的优质钢板制造,并经严格的动、静平衡校正。空气性能良好,效率高,运转平稳。
3、进风口采用收敛流线型减涡形式,气流损失较小,风机的工作效率高。
4、风机机壳与电机以金属铸件安装连接,电机轴头上安装散热风叶,金属铸件的外壁上开设进、出水管接口,对金属铸件与轴头进行降温,确保电机在高温下正常运行。
5、其电机采用特殊高温电机,风机流体部分采用耐温材料,降温结构性能可靠。相比其实锅炉引风机,WDF型结构简单,维护方便,性价比高等优点。
业务电话:0757-8644-7962
固话:0757-8644-7930
邮箱:fsxinyun@163.com
地址:广东佛山市南海区罗村塱沙工业园
联系咨询热线
0757-8644-7962
欢迎您来电咨询