欢迎光临佛山市28多多风机设备有限公司官网!

高端不锈钢风机设备制造厂家

不止好产品 · 更有全面的解决方案 n1.png

0757-86447962

13798645908

不锈钢离心风机
您当前的位置 : 首 页 > 产品中心 > 多翼式风机

CF3A-1.5kw 多翼式风机

  • 风机性能参数:

    转速:1450转

    流量:2031-3900m3/h

    压力:750-650pa

    介质温度≤80℃

    材质:碳钢、不锈钢201#、304#

  • 产品概述
  • 性能特点
  • 技术参数

CF型风机主要是离心式直联传动结构,具体机身结构独特、风量大、效高、安装方便、耗电少,噪音低,美观坚固耐用等优点,广泛用于商场办公大楼、工厂车间、印刷机械、涂布机械等大型建筑物、机械行业的通风换气,它既可输入气体,也可输出气体。输送的介质为空气和其实不自燃、对人体无害、无腐蚀性气体,气体内不允许有粘性物质,尘土及固体杂货≤150mg/m3。气体温度≤80℃




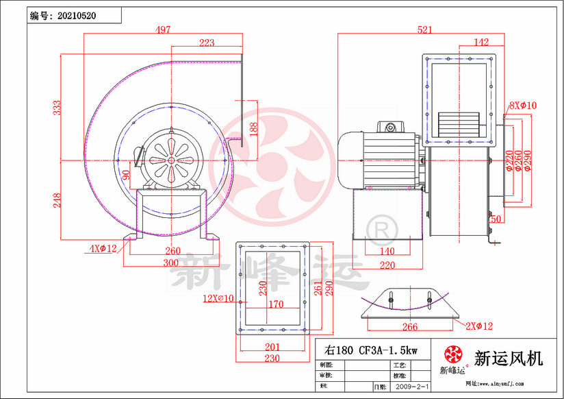
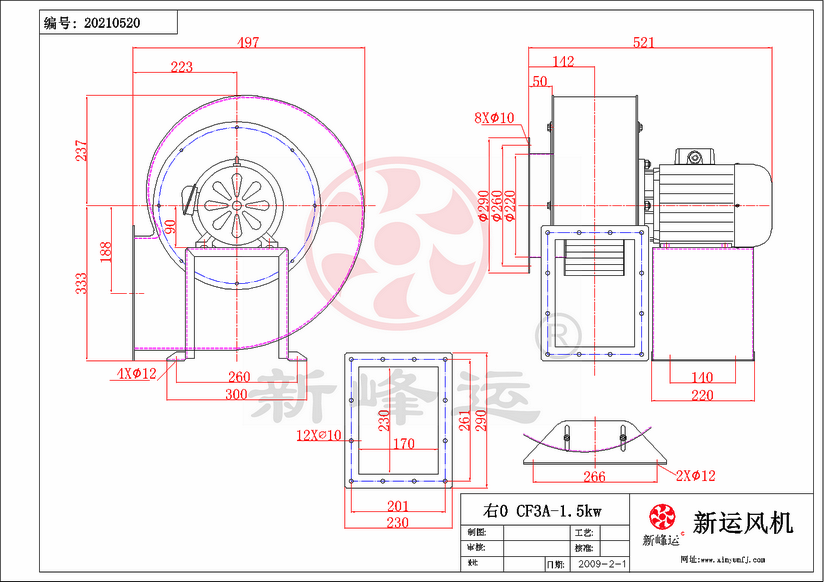
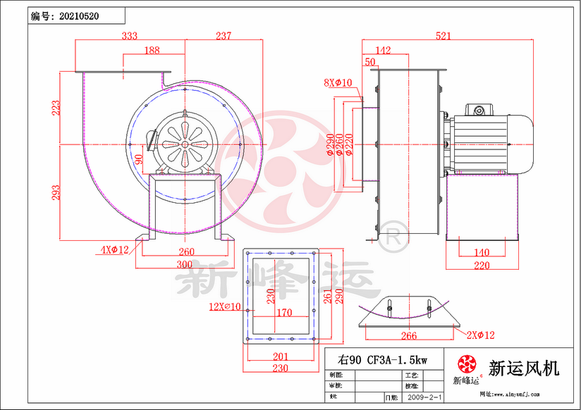
产品安装尺寸图    

不带脚座:

CF3#-1.5KW-1-Model.png



CF3#-1.5KW-2-Model.png



CF3#-1.5KW-3-Model.png



带脚座:

CF3#-1.5KW-4-Model.png



CF3#-1.5KW-5-Model.png



CF3#-1.5KW-6-Model.png





多翼风机定制

厂家实力.jpg

产品特点:

CF型风机主要是离心式直联传动结构,具体机身结构独特、风量大、效高、安装方便、耗电少,噪音低,美观坚固耐用等优点,广泛用于商场办公大楼、工厂车间、印刷机械、涂布机械等大型建筑物、机械行业的通风换气,它既可输入气体,也可输出气体。输送的介质为空气和其实不自燃、对人体无害、无腐蚀性气体,气体内不允许有粘性物质,尘土及固体杂货≤150mg/m3。气体温度≤80℃

CF3A-1.5kw多翼式风机技术参数


cs.jpg



CF3A-1.5kw多翼式风机性能曲线





本文网址:/product/796.html
上一篇:CF3.3A-2.2kw 多翼式风机2025-08-29
下一篇:CF2.8A-1.1kw 多翼式风机2025-08-29

最近浏览:

业务电话:0757-8644-7962

固话:0757-8644-7930

邮箱:fsxinyun@163.com

地址:广东佛山市南海区罗村塱沙工业园

联系咨询热线

0757-8644-7962

欢迎您来电咨询

COPYRIGHT ?佛山市28多多风机设备有限公司 ALL RIGHTS RESERVED 备案号: 粤ICP备13065636号 主要从事于不锈钢风机厂家,不锈钢高温风机,不锈钢离心风机, 欢迎来电咨询!