风机性能参数:
转速:2900转
流量:824-1264m3/h
压力:2986-2997pa
风冷型耐温≤180℃ 水冷型耐温≤230℃
材质:碳钢、不锈钢304#
最后修改时间:2025-1-3
风机的用途:
1、针对干燥行业、锅炉行业、清洗行业、涂装行业、食品烘干行业配套而研发的自主产品__耐高温离心风机。 针对管径小,弯道多、高阻力管道通风排烟设计,是锅炉尾气排放好选择。
2、WJYJ型使用温度在150℃-250℃之间。 如输送温度超过180 ℃应接通水管降温,确保风机寿命。
3、输送的气体为空气或其他不自燃、不自爆、无缠绕性、对人体无害、对钢铁材料无腐蚀之气体。也可作为各行业输送无腐蚀性、不自燃、不含粘性物质的热气、蒸气、烟气。其它性能相近者亦可选用,但输送介质的温度不得超过其额定温度范围。
4、气体内不许有粘性物质,所含的尘土及硬质颗粒不大于150mg/m3。如含尘土量大,在风机前必须加装准备就绪不低于85%的除尘装置,降低进入风机的烟气含尘量,以利提高风机寿命。
风机的安装形式:
1、此风机有两种形式。从电机一侧正视,叶轮顺时针旋转者称右旋风机,以“右”表示;叶轮逆进针旋转者称左旋风机,以“左”表示。
2、风机的出口位置,以机壳的出风口角度表示。风机№1.5~8.3出厂时均做成一种可调型式,使用单位根据要求再安装成所需要的位置。出风口位置调整范围是0°~270°,间隔是45°。传动方式均为“A”式直联传动。
风机的结构特点:
1、风机主要由叶轮、机壳、进风口、电机、连接器、散热风叶等部分组成。
2、WJYJ型风机叶轮为12片叶片,属前弯型。材料用强度高、耐用性好的优质钢板制造,并经严格的动、静平衡校正。空气性能良好,效率高,运转平稳。
3、进风口采用收敛流线型减涡形式,气流损失较小,风机的工作效率高。
4、风机机壳与电机以金属铸件安装连接,电机轴头上安装散热风叶,金属铸件的外壁上开设进、出水管接口,对金属铸件与轴头进行降温,确保电机在高温下正常运行。
5、其电机采用特殊高温电机,风机流体部分采用耐温材料,降温结构性能可靠。相比其实锅炉引风机,WJYJ型结构简单,维护方便,性价比高等优点。
订货须知:
订货时请注明风机的规格型号、需配电机功率及转速、出风口角度和风机的旋转方向。
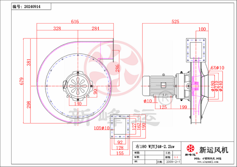
产品安装尺寸图



28多多不锈钢离心风机的特点有哪些?
28多多不锈钢离心风机的特点:
高品质: 厂家拥有多年的制造经验和严格的质量控制,使高压吸风机各部件都能满足高品质的要求。 同时,为保证性能,每台高压吸送风机在工厂进行运行前测试。
能耗低:因此,任何方法吸取了它的性能,而在高范围内的更保守的设计的高压鼓风机吸入压力,在使用上的差异,高压风机仍然安全运行的情况下。
安装过程中容易:高压吸送风机可随时进行安装于使用工作场所供压缩以及空气或用于抽真空。且高压吸送风机能可以任意一个安装于水平或垂直的方向。
高可靠性:除了叶轮,高压鼓风机没有其他可移动部件,并且被直接连接到叶轮马达,驱动齿轮或传动带,因此可靠性高,几乎不需要维护。低振动:高的机械精度,另件都经过设计的非常好的平衡,转动测试的一部分,校正,从而振动速度低。
业务电话:0757-8644-7962
固话:0757-8644-7930
邮箱:fsxinyun@163.com
地址:广东佛山市南海区罗村塱沙工业园
联系咨询热线
0757-8644-7962
欢迎您来电咨询