风机性能参数:
转速:2900转
流量:1183-2891m3/h
压力:1452-1205pa
风冷型耐温≤180℃ 水冷型耐温≤230℃
材质:碳钢、不锈钢304#
最近修改时间:2023-11-25
风机的用途:
1、针对干燥行业、锅炉行业、清洗行业、涂装行业、食品烘干行业配套等锅炉排烟尾气而研发的自主产品__耐高温排烟离心风机。 其风叶设计为前倾型,适合烟尘、灰尘较多烟道中使用。
2、WQE-P型使用温度在150℃-250℃之间。 如输送温度超过180 ℃应接通水管降温,确保风机寿命。
3、输送的气体为空气或其他不自燃、不自爆、无缠绕性、对人体无害、对钢铁材料无腐蚀之气体。也可作为各行业输送无腐蚀性、不自燃、不含粘性物质的热气、蒸气、烟气。其它性能相近者亦可选用,但输送介质的温度不得超过其额定温度范围。
4、气体内不许有粘性物质,所含的尘土及硬质颗粒不大于250mg/m3。如含尘土量大,在风机前必须加装准备就绪不低于85%的除尘装置,降低进入风机的烟气含尘量,以利提高风机寿命。
风机的安装形式:
1、此风机有两种形式。从电机一侧正视,叶轮顺时针旋转者称右旋风机,以“右”表示;叶轮逆进针旋转者称左旋风机,以“左”表示。
2、风机的出口位置,以机壳的出风口角度表示。风机出厂时均做成一种可调型式,使用单位根据要求再安装成所需要的位置。出风口位置调整范围是0°~270°,间隔是45°。传动方式均为“A”式直联传动。
风机的结构特点:
1、风机主要由叶轮、机壳、进风口、电机、连接器、散热风叶等部分组成。
2、WQE-P型叶轮由6个前倾型叶片、直板前盘和平板后盘组成。材料用强度高、耐用性好的优质钢板制造,并经严格的动、静平衡校正。空气性能良好,效率高,运转平稳。
3、进风口采用收敛流线型减涡形式,气流损失较小,风机的工作效率高。
4、风机机壳与电机以金属铸件安装连接,电机轴头上安装散热风叶,金属铸件的外壁上开设进、出水管接口,对金属铸件与轴头进行降温,确保电机在高温下正常运行。
5、其电机采用特殊高温电机,风机流体部分采用耐温材料,降温结构性能可靠。与WQE型风机对比积灰尘相对较少,压力高,输送灰尘效果更好些。相比其实锅炉引风机,WQE-P型结构简单,维护方便,性价比高等优点。
订货须知:
订货时请注明风机的规格型号、需配电机功率及转速、出风口角度和风机的旋转方向。
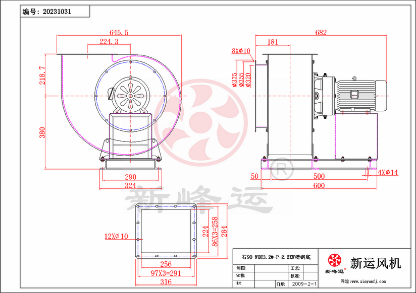
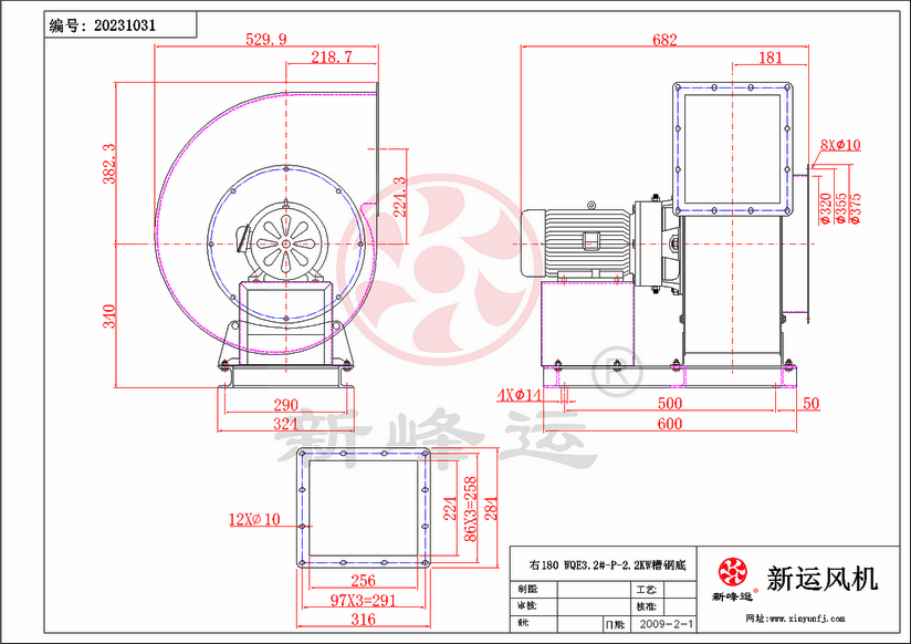
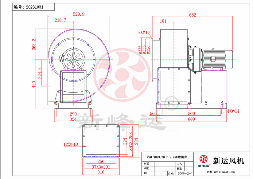
产品安装尺寸图
带槽钢底座:



不带脚座:



我们知道不锈钢高温风机至大的特点就是用来调节温度,而温度是我们要注意的重要的问题之一。
很多耐高温风机只是一个取暖器,而没有制冷的功能,因此这些耐高温风机就要注意它的降温问题,如果耐高温风机的降温效果不好,那么它就有可能把机子烧坏,导致机器不能正常运行,市场上的耐高温风机厂家,为了有好的销售量,很多都夸大了耐高温风机的功能,说它有良好的降温功能,我们如果对耐高温风机这方面有很大的要求的话,一定亲自检验好耐高温风机的设备。
风机的结构特点:
1、风机主要由叶轮、机壳、进风口、电机、连接器、散热风叶等部分组成。
2、WQE-P型叶轮由6个前倾型叶片、直板前盘和平板后盘组成。材料用强度高、耐用性好的优质钢板制造,并经严格的动、静平衡校正。空气性能良好,效率高,运转平稳。
3、进风口采用收敛流线型减涡形式,气流损失较小,风机的工作效率高。
4、风机机壳与电机以金属铸件安装连接,电机轴头上安装散热风叶,金属铸件的外壁上开设进、出水管接口,对金属铸件与轴头进行降温,确保电机在高温下正常运行。
5、其电机采用特殊高温电机,风机流体部分采用耐温材料,降温结构性能可靠。与WQE型风机对比积灰尘相对较少,压力高,输送灰尘效果更好些。相比其实锅炉引风机,WQE-P型结构简单,维护方便,性价比高等优点。
业务电话:0757-8644-7962
固话:0757-8644-7930
邮箱:fsxinyun@163.com
地址:广东佛山市南海区罗村塱沙工业园
联系咨询热线
0757-8644-7962
欢迎您来电咨询